보드를 만들어 놓고 시리얼 통신으로 버그 테스트를 하려고 했는데, 이런!! 출력문자가 깨져서 나온다.
GPIO로 신호를 내보내고 받는것에는 문제가 없었는데 시리얼통신이 안되어서 케이블 문제인것 같아 체크해 보았으나 결론은 케이블이상이 아니었다.
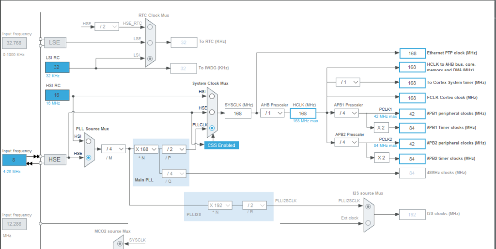
그러다 이리저리 살펴보다 보니, STM32 클럭설정이 잘못되어 있음을 알았다.
클럭설정을 다음과 같이 변경한다. 보통은 HCLK를 168로 적어주고 엔터를 치면 자동으로 변경된다. 단, 변경 중에 붉은색 바탕으로 변하는 것들이 나오는데, 이럴때는 자동으로 변경하지 말고 값들을 직접 조정해 주면 된다.
이 값 설정후에 프로그램을 보드에 Write하면 보드가 동작을 하지 않는다. 맨붕이 왔는데, 보드에서 전원을 OFF하고 JTAG를 뺀 후 전원을 재 인가한다. 그러면 프로그램이 정상동작한다.
